HH15S

  •      
产品描述

适用范围


  HH15(QSA)系列隔离开关熔断器组,HH15A(QA)、HH15P(QP)系列隔离开关, HH15S(QSS)、HH15AS(QAS)HH15PS(QPS)系列双投转换开关(以下简称开关),主要适用于具有高短路电流的配电路和电动机电路中,作为手动不频繁操作的主要开关或总开关。
  其中QSA系列开关可作电路短路保护之用,广泛用于较高级的抽屉式低压成套装置中。
  开关符合1EC60947-3、GB14048.3标准。

型号及含义




正常工作条件


周围空气温度不高压+40℃,不低于-5℃,24h内的平均温度不超过+35℃。
安装地点的海拔不超过200m。
周围空气温度为40℃时相对湿度不超过50%,最湿月的月平均最大相对湿度为90%,同时该月的月平均最低温度为+25℃,并考虑到因温度变化发生在产品表面上的凝露。
周围环境污染等级为3级。

安装类别为Ⅳ类。


开关结构特征


开关采用正面旋转操作方式,由操作机构、触头系统、手柄等组成。
开关采用全封闭式结构,静触头及灭孤系统均组装在由新型耐孤工程塑料制成的壳体内,并装有快速操作机构,开关闭合和分断的速度与操作者的动作速度无关,因而保证操作人员及设备的安全。
开关具有独特性能的触头系统,动触头系统均由四个压缩弹簧的铜滚柱组成,每人滚柱都能单独滚动,从而更有效地防止触头溶焊的发生;发生故障时触头压力随电流的增大而增加,能承受较大的短路电流。
操作手柄可安装在开关柜门上,当柜门关上时手柄即与开关的操纵杆楔合,当开关处于闭合位置时,手柄与柜门联锁,可防止柜门的打开。

主要技术参数


HH15(QSA)系列隔离开关熔断器组的主要参数(见表1)
HH15A(QA)系列隔离开关的主要参数(见表2)
HH15P(QP)系列隔离开关的主要参数(见表3)
双投转换开关得分主要参数参照相应的单投开关
额定绝缘电压ui:660V 
额定工作电压ue:AC380V、660V 
额定频率:50Hz
额定接通能力(A):10Ie
额定分断能力(A):8le
辅助开关约定发热电热电流(AC-15):5A


HH15(QSA)系列隔离开关熔断器组的主要参数
表1

约定自由空气发热电流Ith(A)

63

125

160

250

400

630

800

额定工作电流le(A)

380V/AC-23B

63

125

160

250

400

630

800

660V/AC-22B

63

100

160

250

315

425

500

额定限制短路电流(kAr.m.s)

50

50

50

50

50

50

50

机械寿命(次)

1700

1400

1400

1400

800

800

500

电寿命(次)

300

200

200

200

200

200

100

操作力矩(N.m)

NT00-63

NT00-125

NT00-160

NT00-250

NT00-400

NT00-630

NT00-800

重量(kg不含手柄)

NT00-63

NT00-100

NT00-160

NT00-250

NT00-315

NT00-425

NT00-500

选用熔断体

380V/AC-23B

7.5

16

30

660V/AC-22B

1.6

1.7

4.1

4.5

4.7

14.0

14.5


HH15(QA)系列隔离开关的主要参数
表2

约定自由空气发热电流Ith(A)

125

200

400

630

1000

额定工作电流le(A)

380V/AC-23B

125

200

400

630

1000

660V/AC-21B

125

200

400

630

1000

660V/AC-22B

125

160

315

425

630

额定短路接通能力(kA)

20

20

50

50

50

额定短时耐受电流(kA)

4

4

15

15

15

机械寿命(次)

1400

1400

800

800

500

电寿命(次)

200

200

200

200

100

操作力矩(N.m)

7.5

16

30

重量(kg不含手柄)

1.5

1.6

4.1

4.3

11.7


HH15(QP)系列隔离开关的主要参数
表3

约定自由空气发热电流Ith(A)

250

630

1000

1250

1600

2500

3150

额定工作电流le(A)

380V/AC-23B

250

630

1000

1250

1600

2500

3150

660V/AC-21B

250

630

1000

1250

1600

2500

3150

660V/AC-22B

250

630

630

800

800

/

/

额定短路接通能力(kA)

39

60

60

85

85

130

130

额定短时耐受电流(kA)

8

32

32

50

50

80

80

机械寿命(次)

1400

800

500

500

500

300

300

电寿命(次)

200

200

100

100

100

100

100

操作力矩(N.m)

7.5

16

30

70

重量(kg不含手柄)

1.9

5.0

5.4

14.0

14.5

49.0

50.5


开关外形与安装尺寸


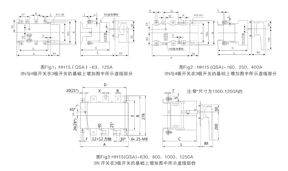
HH15(QSA)-63~800A的外形与安装尺寸(见图1-3、表4) 



HH15(QSA)-63~1250A的外形与安装尺寸
表4

产品型号

外形尺寸

安装尺寸

端子尺寸

A

B

C

D

E

F

L

R

S

T

X

HH15(QSA)-63/2

120

100

168

98

90

6.5

238-280

12

6.0

2

M5

HH15(QSA)-63/3

155

100

168

133

90

6.5

238-280

12

6.1

2

M5

HH15(QSA)-125/2

120

116

168

98

90

6.5

238-280

15

7.5

3

M6

HH15(QSA)-125/3

155

116

168

133

90

6.5

238-280

15

7.5

3

M6

HH15(QSA)-160/2

187

146

190

100

128

7.0

320-370

20

10.0

4

M8

HH15(QSA)-160/3

240

146

190

100

128

7.0

320-370

20

10.0

4

M8

HH15(QSA)-250/2

195

160

210

100

128

7.0

320-370

25

12.5

4

M10

HH15(QSA)-250/3

248

160

210

100

128

7.0

320-370

25

12.5

4

M10

HH15(QSA)-400/2

195

160

210

100

128

7.0

320-370

25

12.5

6

M10

HH15(QSA)-400/3

248

160

210

100

128

7.0

320-370

25

12.5

6

M10

HH15(QSA)-630/2

256

270

253

226

214

9.0

335-380

40

20.0

6

M12

HH15(QSA)-630/3

344

270

253

314

214

9.0

335-380

40

20.0

6

M12

HH15(QSA)-800/2

256

350

253

226

214

9.0

335-380

50

20.0

6

2-M12

HH15(QSA)-800/3

344

350

253

314

214

9.0

335-380

50

20.0

6

2-M12

HH15(QSA)-1000.1250/3

458

370

335

418

258

11

385-410

70

17.0

8

4-M10


HH15A(QA)-125~1000A的外形与安装尺寸(见图4-6、表5)


HH15A(QA)-125~1000A的外形与安装尺寸
表5

产品型号

外形尺寸

安装尺寸

端子尺寸

A

B

C

D

E

F

L

R

S

T

X

HH15(QA)-125/2

120

116

130

98

90

6.5

238-280

15

7.5

3

M6

HH15(QA)-125/3

155

116

130

133

90

6.5

238-280

15

7.5

3

M6

HH15(QA)-200/2

120

128

130

98

90

6.5

238-280

20

10

3

M8

HH15(QA)-200/3

155

128

130

133

90

6.5

238-280

20

10

3

M8

HH15(QA)-400/2

187

160

152

100

128

7.0

320-370

25

12.5

4

M10

HH15(QA)-400/3

240

160

152

100

128

7.0

320-370

25

12.5

4

M10

HH15(QA)-630/2

187

170

152

100

128

7.0

320-370

30

15

6

M10

HH15(QA)-630/3

240

170

152

100

128

7.0

320-370

30

15

6

M10

HH15(QA)-1000/2

256

270

190

226

214

9.0

335-380

50

20

6

M12

HH15(QA)-1000/3

344

270

190

314

214

9.0

335-380

50

20

6

M12


HH15P(QP)-250~1600A的外形与安装尺寸(见图7-9、表6)



HH15P(QP)-250~1600A的外形与安装尺寸
表6

产品型号

外形尺寸

安装尺寸

端子尺寸

A

B

C

D

E

F

L

R

S

T

X

HH15P(QP)-250/2

120

142

130

98

90

6.5

238-280

25

12.5

4

M10

HH15P(QP)-250/3

155

142

130

133

90

6.5

238-280

25

12.5

4

M10

HH15P(QP)-630/2

120

170

152

100

128

7.0

320-370

30

15

5

M10

HH15P(QP)-630/3

155

170

152

100

128

7.0

320-370

30

15

5

M10

HH15P(QP)-1000/2

187

220

152

100

128

7.0

320-370

40

20

6

M12

HH15P(QP)-1000/3

240

220

152

100

128

7.0

320-370

40

20

6

M12

HH15P(QP)-1250/2

187

350

190

226

214

9.0

335-380

40

20

10

2-M12

HH15P(QP)-1250/3

240

350

190

314

214

9.0

335-380

40

20

10

2-M12

HH15P(QP)-1600/2

256

350

190

226

214

9.0

335-380

50

20

10

2-M12

HH15P(QP)-1600/3

344

350

190

314

214

9.0

335-380

50

20

10

2-M12


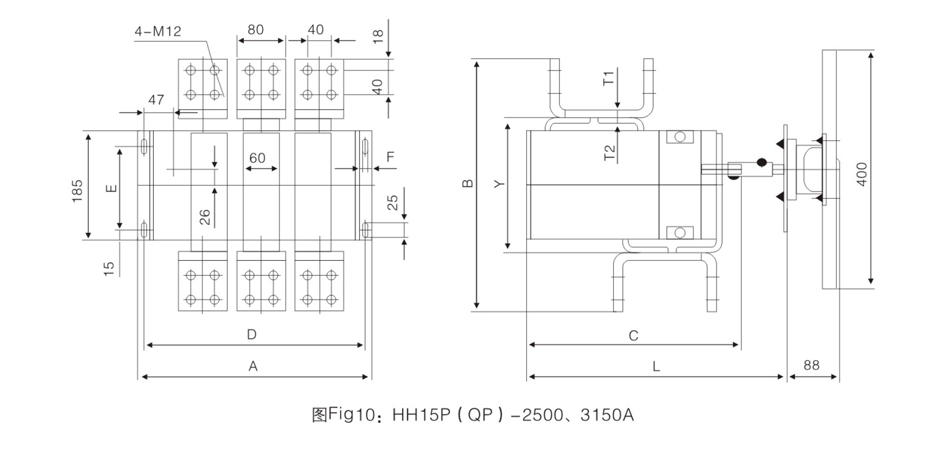
HH15P(QP)-2500~3150A的外形与安装尺寸(见图10、表7)



HH15P(QP)-2500~3150A的外形与安装尺寸
表7

产品型号

外形尺寸

安装尺寸

端子尺寸

A

B

C

D

E

F

L

Y

T1

T2

HH15P(QP)-2500/3

390

416

360

368

142

9.0

505-550

226

12

8

HH15P(QP)-3150/3

390

424

360

368

142

9.0

505-550

230

14

10


5、双投转换开关由两台相应的单投开关在底板左右并排组装而成,其外形与安装尺寸(见表8、图11)

双投转换开关的外形与安装尺寸
表8

产品型号

外形尺寸

安装尺寸

A

B

C

D

E

F

L

QSS-63.125;QAS-125.200;QPS-250

430

170

192

385

118

9

220-280

QSS-160.250.400;QAS-400.630;QPS-630.1000

630

190

242

588

128

9

300-380

QSS-630.800;QAS-1000;QPS-1250~3150

950

263

254

908

180

9

400-480



上一篇:

HH15

下一篇:

CJX2
首页 产品 动态 联系